
新聞資訊
閥門首頁 > 新聞資訊 > 2米5口徑閘閥是一種常見的工業閥門,用于控制流體的通斷和流量。江蘇是中國制造業發達的地區之一,有許多專業的閥門生產企業。針對...
上海湖泉閥門集團有限公司是一家閘閥的生產廠家、制造商。Z41Y法蘭鍛鋼閘閥有三種閥蓋設計形式。第一種是螺栓式閥蓋,按這種設計的閥...
尊敬的客戶,感謝您對我們公司的關注。我們很榮幸地宣布,我們最新研發的電動閘閥Z941H-16C DN80新品已經問世,并且我們對其價格進行了優...
上海湖泉閥門集團有限公司是一家煤氣閘閥生產,閥門廠家有哪些品牌,煤氣閥哪個牌子質量好是煤氣系統中起關鍵作用的裝置之一,選擇...
上海湖泉閥門煤礦本安型電動閥門現貨生產廠家,煤礦行業作為我國能源開采的重要組成部分,對生產設備的安全性和可靠性有著極高的要...
上海湖泉閥門集團有限公司是電動閥門專業生產廠家,主營產品:電動閥門,電動蝶閥,電動球閥,電動排泥閥,電動調節閥,電動閘閥等產品,質量保...
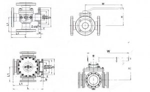
不銹鋼三通四通球閥是一種常見的工業管道設備,它具有高強度、耐腐蝕等優點,被廣泛應用于各個領域。作為一家專業的不銹鋼三通四通...
十堰不銹鋼三通球閥廠家供貨,三通球閥廠家安裝方便。不銹鋼三通球閥作為一種重要的管道連接件,廣泛應用于石油、化工、冶金、電力...
本文將介紹三通球閥廠家和三通調節電動球閥廠家的相關信息。作為專業制造商,我們致力于提供高質量的產品和優質的服務。 三通球閥是...
在現代工業領域中,z941h電動閘閥是一種常見的控制裝置,廣泛應用于液體、氣體等介質的流量控制。z941h電動閘閥廠家為市場提供了各種規...